Vortrag HET 70 am 20.7.1965 in Koblenz


Getriebeanordnung und Fahrleistungen
von Herrn Kube

 

Meine Aufgabe ist es, im Rahmen dieser kleinen Referate, Ihnen einen Überblick über die Getriebeanordnung und über die Antriebsverzweigung, der in dieser Studie behandelten Fahrzeuge, zu geben.
Insbesondere werde ich versuchen, an Hand von Diagrammen die Leistungsfähigkeit des Fahrzeuges aufzuzeigen.


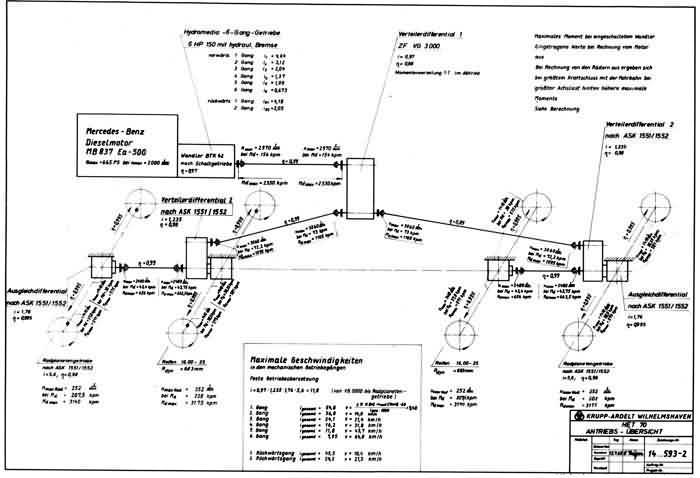
Bild 14

Ich darf Ihnen als erstes Bild eine schema tische Darstellung des Antriebes zeigen. An dem Daimler Benz Vielstoffmotor mit Abgas Turbo Aufladung ist schwungradseitig das ZF Hydroplaneten Getriebe Baumuster 6 HP150 angeflanscht.
Dieses Getriebe besitzt 6 Vorwärts und 2 Rückwärtsgänge, von denen 4 Vorwärts und beide Rückwärtsgänge wahlweise auch über den Wandler gefahren werden können.
Die Einheit: Hydroplanetengetriebe mit Motor ist in Form einer Drei Punkt Lagerung über Schwingmetall auf dem Fahrzeugrahmen montiert.
Die einzelnen Gänge werden durch druckölbeaufschlagte Lamellen Kupplungen geschaltet. Der Vorteil des Wandlers liegt in der Zugkraftsteigerung bei wachsendem Fahrwiderstand bis zu dem 2,5 fachen des Motordrehmomentes. Leider muß man darauf auch Rücksicht bei der Bemessung sämtlicher an der Kraftübertragung beteiligten Antriebselemente nehmen, was sich in Mehrgewicht ausdrückt.
Über eine kurzbauende Gelenkkupplung erfolgt der Antrieb auf das ZF Verteiler Getriebe VG 3000, das durch seine Bauart, nämlich durch ein Stirnrad Planeten Differential eine gleichbleibende Momentenverteilung im Verhältnis 1:1 bei wirksamen Differential gewährleistet.

Dieses Teilungsverhältnis wurde auf Grund der vorhandenen Achslasten an Vorder und Hinterachsen mit ca. 10 zu 11 t für das beladene und mit ca. 7 zu 5 t für das leere Fahrzeug im Ruhezustand als günstiges Teilungsverhältnis gewählt. Für die im Fahrzustand durch Zugkraft und Beschleunigung veränderten Achslasten wirkt sich das Teilungsverhältnis 1:1 für leeres sowie teilbelastetes Fahrzeug ebenfalls günstig aus.

Über Gelenkwellen verzweigt sich der Antrieb auf die Vorgelegegetriebe der Vorder und Hinterachsenpaare.
Diese Getriebe haben Ausgleichsdifferential, ebenso wie die 4 Achsmittelgetriebe. Sämtliche Differentiale lassen sich im Stand über Öldruck sperren, das des Verteilergetriebes auch unter Last.

Vorgelege  und Achsmittelgetriebe liefert die Firma Rheinstahl. Es sind Getriebe mit Ölumlaufschmierung, d.h. mit je einer Ölpumpe, so daß die bei tiefen Kältegraden hohen Plantschverluste durch steifes Öl entfallen. Die Wartung dieser Getriebe ist bei Verwendung von alterungsbeständigen Ölen äußerst gering. Versuche mit diesen Ölen haben bei gleichartigen Getrieben eine Laufzeit von 260.000 km ergeben, ohne daß eine Qualitätsminderung des Öles festgestellt werden konnte. Diese Untersuchung liegt schon etwas zurück; inzwischen sind wahrscheinlich 300000 km gefahren worden.
Die Kraftübertragung zu den Radplanetengetrieben erfolgt Über Birfield Gleichlaufgelenkwellen, die eine Winkelbeugung, wie sie die große Ein und Ausfederung bedingt und zusätzlich an den Lenkachsen durch den Lenkeinschlag eintritt, zulassen.

Achsvorgelege und Achsmittelgetriebe sind in einem Über Schwingmetall mit dem Fahrzeug verbundenen Schieberahmen gelagert und nur zu gelegentlichen Inspektionen zu demontieren. Die Gelenkwellen können durch seitliche Öffnungen im Trapezrahmen geschmiert werden.

Die Übersetzungen im 6 Gang Getriebe sind:
4,64 – 3,12 – 2,04 – 1,37 – 1,0 – 0,67
im Verteilergetriebe 0,97
Vorgelege 1,235
Achsmittelgetriebe 1,76 und im
Radplanetengetriebe 5,6

Die größte Untersetzung liegt mithin kurz vor der Kraftabgabe an die Räder, was für die Dimensionierung der Antriebselemente von großem Vorteil in Bezug auf Gewicht und Preis ist.


Bild 50

Auf diesem Bild sehen Sie einen Vorentwurf des Radplanetengetriebes. Der Antrieb er folgt über die Gleichlaufgelenkwelle auf das Sonnenrad und von hier über die Planetenräder auf das mit der Felge und der Bremse verbundene innenverzahnte Stirnrad. Die Bremsen sind für eine 50 %ige Fahrzeug abbremsung ausgelegt, die Bremsverzögerung liegt über die geforderte 3,5m/sek² für das neue Fahrzeug.

Nun komme ich zu den Leistungsschaubildern


Bild 31

a) Motor Kennlinie des Vielstoff Daimler-Benz Motors.
Das Diagramm Zeit in Abhängigkeit von der Motordrehzahl
1. die Motorleistung
2. das Motordrehmoment und
3. den spezif. Brennstoffverbrauch

Der Drehzahlbereich des Motors liegt zwischen 1000 und 2000 min-1
Die obere Leistungskurve zeigt die Dauerleistung "B" nach DIN 6270, d. i. die am Schwungrad verfügbare Leistung und korrespondiert mit der oberen schwach gezeichneten Drehmomentenkurve. Die untere Leistungskurve, hier mit "Nutzleistung" bezeichnet, stellt die zur Verfügung stehende Leistung nach Abzug des Leistungsverzehrs für den unbelasteten Luftpresser und Lenkhilfspumpe sowie für den hydrostatischen Lüfterantrieb dar (max. 58 PS). Dieser Kennlinie entspricht die untere Drehmomentenkurve.
Die folgenden Diagramme sind gerechnet mit der eff. Nutzleistung bzw. mit dem entsprechenden Drehmoment. Der spez. Kraftstoffverbrauch liegt für einen Kraftstoff mit mind. 10.000 kcal/kg Heizwert bei weniger als 170 g/PS h für den Motor günstig.


Bild 32

b) Zusammenarbeitsdiagramm
In dem Diagramm sind dargestellt: Wandler Eingangs und Abtriebsmoment, Eingangsdrehzahl = Motordrehzahl und Abtriebsdrehzahl sowie der Wirkungsgrad des Wandlers.

Es ist hieraus beispielsweise zu ersehen, daß bei einer Motordrehzahl
n1 = 2000 min 1 die Wandlerdrehzahl
n2 = 1500 min 1 bei voller Belastung beträgt.
Der Drehzahlunterschied = Schlupf wird in Wärme umgewandelt und muß im Wärmetauscher Über den Kühler abgeführt werden. Es tritt also trotz des Drehzahlab falls von 2000 auf 1500 min 1 im Wandten kein effektiver Drehmomentengewinn ein. Leistungsmäßig betrachtet tritt sogar ein Verlust von ca. 80 % auf. Der Wirkungsgrad muß also ungefähr 80 % betragen, was auch aus der entsprechenden Kurve hervorgeht.
Wird dem Wandler ein höheres Drehmoment abverlangt, beispielsweise Md2 = 400 kpm durch Zugkraft am Berg, so sinkt die Motordrehzahl auf n1 = 1720 min-1 ab, und die Wandler Ausgangsdrehzahl stellt sich auf n2 = 500 min-1 ein.
Das max. Drehmoment gibt der Wandler bei annähernd n2 = 0 ab; es beträgt ca. 525 kpm. Der Drehzahlabfall n1 zu n2 = 1680:0 entspricht einem 100 %igen Schlupf, der Wirkungsgrad ist also 0. Die gesamte Motorleistung geht dabei als Wärme ins Öl des Wandlers. Wir sehen später noch im Fahrzustands Diagramm, unter welch extremer Steigung dem Wandler dieses Moment abverlangt werden kann. Das Kühlaggregat ist so ausgelegt, daß kurzzeitige Belastung dieser Art dem Wandler nicht schadet.


Bild 33

c) Geschwindigkeits Fahrwiderstands Diagramm
In dem Diagramm ist der Rollwiderstand des mit 47,5 t beladenen Fahrzeuges sowie der Luftwiderstand über der Geschwindigkeit aufgetragen (für ebene Fahrbahn und 20 kp/t Rollwiderstand).
Die Rollwiderstandszahl für Vergleichsrechnungen im Mittel mit fR = 0,02 wurde als konstant angenommen ohne Berücksichtigung ihrer Abhängigkeit von Reifendurchmesser, Reifenluftdruck und Fahrzeuggeschwindigkeit bei gleichem Pflaster.
In Bezug auf den Luftwiderstand W2 gibt das Bild optisch einen falschen Eindruck, hervorgerufen durch den Maßstab. Die prozentuale Vergrößerung des Fahrwiderstandes beträgt ungünstigstenfalls bei V max = 65 km/h schätzungsweise 11 %. In den folgenden Diagrammen sind diese Fahr- und Luftwiderstände berücksichtigt.


Bild 37 14..616-3

d) Drehzahl Geschwindigkeits Diagramm
In dem vorliegendem Diagramm ist die lineare Abhängigkeit der Fahrzeuggeschwindigkeit von der Motordrehzahl bei abgeschaltetem Wandler und die von der Belastung und Motordrehzahl abhängige Geschwindigkeit bei Wandlerbetrieb aufgezeichnet.
Deutlich tritt hier der Vorteil eines 6 Gang Getriebes gegenüber einem 4 Gang Getriebe hervor, gekennzeichnet durch den guten Überdeckungsgrad in den einzelnen Gängen, der ein Durchschalten vom 1. bis 6. Gang mechanisch, d.h. ohne Wandlerbetrieb möglich macht.
Beispielsweise würde das ZF 4 Gang Getriebe, in diesem Schaubild aufgetragen, den 2. und 4. Gang fehlen lassen, eine Überdeckung der Gänge wäre nicht mehr gegeben. Dies bedeutet ein Hochschalten über den Wandler bzw. bei schleifender Kupplung. Innerhalb des schraffierten Bereiches läßt sich bei eingeschaltetem Wandler je nach Belastung jede Kombination Motordrehzahl Geschwindigkeit erreichen.


Bild 38

e) In dem Diagramm ist
1.  die Abhängigkeit der erforderlichen Fahrleistung von der Geschwindigkeit und Straßenbeschaffenheit bei ebener Fahrbahn,
2.  die in den einzelnen Gängen von der Geschwindigkeit (entspr. der Motordrehzahl) abhängige vorhandene Motorleistung dargestellt.

Es läßt sich so ermitteln, weiche Geschwindigkeiten sich leistungsmäßig auf den verschiedenen Fahrbahnen vom vollbeladenen Sattelzug erreichen läßt, und welcher Gang dabei geschaltet werden muß.

Auf Beton und Asphaltstraßen kann man mit verhältnismäßig geringen Fahrleistungsbedarf die Höchstgeschwindigkeit von 65 km/h fahren (400 PS).

Auf Steinpflasterstraßen mit fR= 0902 wird der Leistungsbedarf größer (520 PS). Alle 3 Straßenarten können im 6. Gang gefahren werden.

Auf schlechten Landstraßen (Grobpflaster) Mit fR= 0,035 läßt sich die Höchstgeschwindigkeit mit der vorhandenen Leistung nicht mehr erreichen. Es muß der 5. Gang benutzt werden.

Auf Erdweg mit f = 0,06 läßt sich mit der vorhandenen Leistung 21,6 km/h im 3. Gang erreichen.
Die gleiche Geschwindigkeit kann im 4. Gang mit Wandler gefahren werden, jedoch würde dem 3. Gang mechanisch der Vorzug gegeben werden, da der Wirkungsgrad des mechan. Getriebes wesentlich günstiger liegt als der des Wandlers, was sich praktisch einerseits im Kraftstoffverbrauch und andererseits in der Leistungsreserve des 3. Ganges bemerkbar macht (ca. 160 PS)
Der Leistungsbedarf für sandiges ebenes Gelände mit f = 0,2 Übersteigt die vorhandene Leistung im 1. Direkt Gang. Hier muß mit Wandler gefahren werden. Entweder im 2. Gang mit V bis 5 km/h oder im 1. Gang bis zu 6,5 km/h Geschwindigkeit. Zu bevorzugen wäre der 1. Gang Wandler mit schätzungsweise 4 - 5 km/h Geschwindigkeit, da in diesem Bereich der Wandler seinen optimalen Wirkungsgrad hat.
Unter der Abzisse sind die Fahrbereiche der einzelnen Gänge als Vollinie für die Direkt Gänge und gestrichelt für die Wandler Gänge aufgetragen. Auch hier wieder ersichtlich der Überdeckungsgrad der einzelnen Gänge.
Einfügen möchte ich an dieser Stelle die Ermittlung der erforderlichen Motorleistung für den Kraftstoff Normverbrauch bei 3/4 der Höchstgeschwindigkeit und ebener Fahrbahn mit fR = 0,015. Sie ergibt sich im Schnittpunkt 48,7 km/h mit der erforderlichen Motorleistung zu 285 PS, wozu noch ein Anteil für Lüfterleistung und Nebenantrieb von 25 PS kommt. Auf den Kraftstoffverbrauch komme ich noch gegen Ende meines Referats zu sprechen.


Bild 39 14..618-3

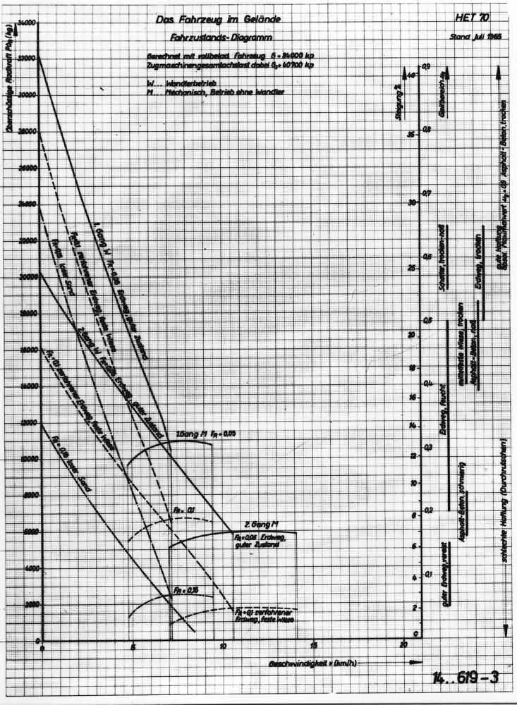
f) Fahrzustandsdiagramm
Dargestellt sind überschüssige Radkraft, gleichzusetzen mit der Zugkraft, Steigvermögen und Geschwindigkeit in den verschiedenen Gängen.
Ferner sind Gleitbeiwert und Rutschgrenzen einiger Fahrbahnzustände in das Diagramm eingetragen.

Es lassen sich folgende maximale Steigfähigkeiten des vollbeladenen Sattelzuges entnehmen:

1. Gang mit Wandler:
45 % bei v ca. 0 km/h
40 % bei v ca. 1,1 km/h
30 % bei v ca. 3,2 km/h

1. Gang direkt
14,8% bei v ca. 5,0 km/h
16 % bei v ca. 9,5 km/h

Auf trockener Asphalt Betonstraße erreicht der 1. Gang im Wandlerbetrieb bei einer Steigung von 45 % oder einer Zugkraft von 34,5 t gerade die Rutschgrenze = 0,85.
In einem Beispiel soll der mit 47,5 t beladene Sattelzug eine Straßensteigung von 10 % befahren. Mit welchem Gang muß gefahren werden. Entweder 3. Gang Wandler mit ca. 9,5 km/h Geschwindigkeit oder besser im 2. Gang direkt mit 12 km/h max. Geschwindigkeit aus bereits bekannten Gründen.
Die Verbindungslinie durch entsprechende Punkte der einzelnen Zugkraftkurven ergeben die Leistungshyperbeln. Eine nahezu ideale Leistungshyperbel gibt die Zugkraftkurve des Wandlers im 1. und 2. Gang. Der Geschwindigkeitsunterschied ist durch den Wirkungsgrad des Wandlers bedingt.


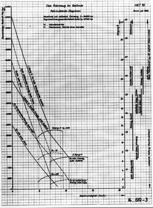
Bild 40 14..619-3

g) Fahrzustandsdiagramm "Fahrzeug im Gelände"
Auch in diesem Diagramm sind Über der Geschwindigkeit die Überschüssige Radkraft bzw. das Steigvermögen eingetragen, jedoch nur für den 1. und 2. Gang direkt und mit Wandler.
Hier sind aber die möglichen Zugkräfte für unterschiedliche Geländearten mit entspr. Rollwiderstandszahlen wie 0,05 für guten Erdweg, 0,1 feste Wiese und 0,15 für losen Sand aufgetragen. In der rechten Scala sind das Steigvermögen und die Rutschgrenzen und ihr Streubereich für verschiedene Geländezustände dargestellt.

Bei gegebenem Gelände, z.B. trockener Erdweg und 25 %iger Steigung soll das vollbeladene Fahrzeug fahren. Dies ist im 1. Gang mit Wandler bei Vmax ca. 3,7 km/h möglich, da die Rutschgrenze für diese Geländeart bei 0,5 bis 0,65 liegt.
Auf nassem Erdreich könnte die Steigung nicht befahren werden, da die Rutschgrenze auf unter µ = 0,5 abfällt. Das entspricht einer noch zu befahrenden Steigung von zwischen 8 und 20 %.


Bild 41 14..620-4

h) Aufgezeichnet ist der Kraftstoffverbrauch in Liter über der Fahrzeuggeschwindigkeit für einige Gänge.
Dieser Verbrauch errechnet sich aus der max. Motorleistung, wie sie beispielsweise nur benötigt wird bei großer Beschleunigung, Befahren von den einzelnen Gängen zugeordneten Höchstleistungen oder in schwerem Gelände.
Der Kraftstoff Norm Verbrauch nach DIN 70 030, d.h. der Verbrauch bei 3/4 Höchstgeschwindigkeit auf 100 km ebener Straße beträgt 158 1. Die erforderliche Leistung wurde, wie bereits erwähnt, dem Fahrleistungs Diagramm entnommen.
Fahrbereich: 800 l / 158 l/km = 500 km


Bild 42  14..621-4

i) In dem letzten Diagramm sehen Sie die Zuord nung von Fahrbahnreibwert und Fahrgeschwindigkeit für Antriebsleistungen bezogen auf unterschiedliche Belastungszustände des Fahrzeuges, ausgedrückt in PS/t, für

die Zugmaschine allein - 32,4 PS/t
den leeren Sattelzug - 18,2 PS/t
den Sattelzug mit 47,5 t - 7,9 PS/t

Hierzu als Vergleichsbasis gestrichelt ausgezogen die im Straßenverkehr als Minimum geforderten 6 PS/t
Aus diesem Bild erkennen Sie die nicht unerhebliche Leistungsreserve des in dieser Studie behandelten Sattelzuges.
Um diese Leistung auf die Fahrbahn zu bringen, benötigt man eine Haftreibung zwischen Gummirad und Straße, beispielsweise für eine Geschwindigkeit des vollbeladenen Fahrzeuges von 20 km/h einen Haftreibungsbeiwert von ca. 2,15.

Ich glaube, daß mit dieser investierten Leistung die Forderung nach einem leistungsstarken Gerät, wie es für die Bundeswehr notwendig ist, erfüllt wird, ohne daß die Wirtschaftlichkeit des Gerätes in Frage gestellt ist.

  Zurück

Weiter  


 
 Vorwort  Vorwort  Herr Kessel
 Vortrag 1  Gesamtes Fahrzeug  Herr Kordes
 Vortrag 2  Getriebeanordnung und Fahrleistungen  Herr Kube
 Vortrag 3  Einzelradaufhängung und Hydrop Federung  Herrn Grandjot
 Vortrag 4  Konstruktion des Aufliegerträgers  Herrn Dr. Meyer
 Schluß  Schluß Hinweise und DIAS Vorführung  Herrn Kessel